Автор Тема: Походная радиостанция РС273  (Прочитано 2887875 раз)

0 Пользователей и 23 Гостей просматривают эту тему.

Оффлайн Владимир_К

  • Hero Member
  • *****
  • Сообщений: 1245
Re: Походная радиостанция РС273
« Ответ #1800 : Июнь 05, 2022, 12:28:11 pm »
Вот "реальный" фильтр. Это было лень делать полноценные, поэтому 7 мгц и 10 мгц захотелось одним фильтром обойтись. Вот что получилось. Внизу графики в симуляторе, здесь же, вверху, измерение макета фильтра АЧХ-метром. Как видно, подавление зеркального канала всего около 40 дб. Сэкономил два кольца.
А вот мотать на фторопласте, это ежели все остальные узлы будут отвечать заявленным параметрам. Вполне может быть, что не ДПФ -узкое место, а совсем другое.

Оффлайн rtty

  • Hero Member
  • *****
  • Сообщений: 2527
Re: Походная радиостанция РС273
« Ответ #1801 : Июнь 05, 2022, 12:50:52 pm »
При динамике "походной" в расчетные 100 дБ плюс-минус стоит ли городить фильтры от "монстра"?

Смотрите сами, это характеристики уровня лучше среднего+ буржуя, как мне кажется, досадно это портить узкими дпф на ферромагнетиках, которые соответствуют классу совсем простых приемников вроде клопика или различных QRP-поделок на SA612 или т.п.

Для максимальной экономии места и чтобы не провалить, вряд ли что-то проще ФНЧ прд. + дополнительные приемные ФВЧ можно сделать, в стесненном варианте по габаритам.


Mantrid

  • Гость
Re: Походная радиостанция РС273
« Ответ #1802 : Июнь 05, 2022, 01:13:13 pm »
Для максимальной экономии места
Ну, в частотомеров корпус я это все дело втисну как-нибудь, но второй вариант "походной" (трактов-то два спаяно) думал сделать все же чуть поменьше, покомпактней. УМ планируется вообще без выходных фильтров, у Игоря есть нужные решения, да и до него  на цыкухаме делал народ что-то QRPшное на AD8009+RD16... Вобщем, все упрется в ДПФ. Но мысль я понял, тогда продолжу мотать на фторопласте покуда. Для первой "походной" как минимум, а там посмотрим.

Mantrid

  • Гость
Re: Походная радиостанция РС273
« Ответ #1803 : Июнь 06, 2022, 10:32:40 am »
Вобщем, вот так получилось у меня на 3.5 МГц, лучше уже не сделать, похоже (спасибо Владимиру_К за подсказку насчет емкости на входе):

Mantrid

  • Гость
Re: Походная радиостанция РС273
« Ответ #1804 : Июнь 06, 2022, 11:07:48 am »
А вот преосмысление для 7 МГц:

Mantrid

  • Гость
Re: Походная радиостанция РС273
« Ответ #1805 : Июнь 06, 2022, 12:44:03 pm »
Ну и 1.8 приведен к "общему знаменателю":


Оффлайн ra0ahc

  • Hero Member
  • *****
  • Сообщений: 4872
  • Сергей, RD6AH
Re: Походная радиостанция РС273
« Ответ #1806 : Июнь 06, 2022, 01:21:49 pm »
Хорошие картинки, только Игорь на пальцах рассказывал про то , что не надо ставить выходные емкости. Они сильно ставят в зависимость от шнурков и их длины! Когда без выходных емкостей - тогда не так критично по соединяющим шнуркам.
Да да, я знаю, у меня ничего не получится )))

Оффлайн Владимир_К

  • Hero Member
  • *****
  • Сообщений: 1245
Re: Походная радиостанция РС273
« Ответ #1807 : Июнь 06, 2022, 01:22:28 pm »
А вот преосмысление
Выбросьте отмеченный конденсатор. Не нужен он там. Если он для согласования, то их должно быть два, так как в схеме фильтра на 3,5 мгц (сообщение 1803). Но, такая конфигурация создает проблемы в реализации. То же самое, по фильтру на 1,8 мгц. Дайте ссылку, откуда появилась такая конфигурация. Может что-то я упустил, но симулятор не показывает каких-либо улучшений.

Оффлайн ra0ahc

  • Hero Member
  • *****
  • Сообщений: 4872
  • Сергей, RD6AH
Re: Походная радиостанция РС273
« Ответ #1808 : Июнь 06, 2022, 01:24:56 pm »
 cr123

Одинаково думаем )))

Кстати, скаты отменные!!! я таких не мог получить на кольцах от 3д печати. Хорошая добротность у вас получилась.
Фотки то покажите?
Да да, я знаю, у меня ничего не получится )))

Mantrid

  • Гость
Re: Походная радиостанция РС273
« Ответ #1809 : Июнь 06, 2022, 02:19:54 pm »
Выбросьте отмеченный конденсатор.
Выбросил:

Оффлайн Владимир_К

  • Hero Member
  • *****
  • Сообщений: 1245
Re: Походная радиостанция РС273
« Ответ #1810 : Июнь 06, 2022, 02:21:09 pm »
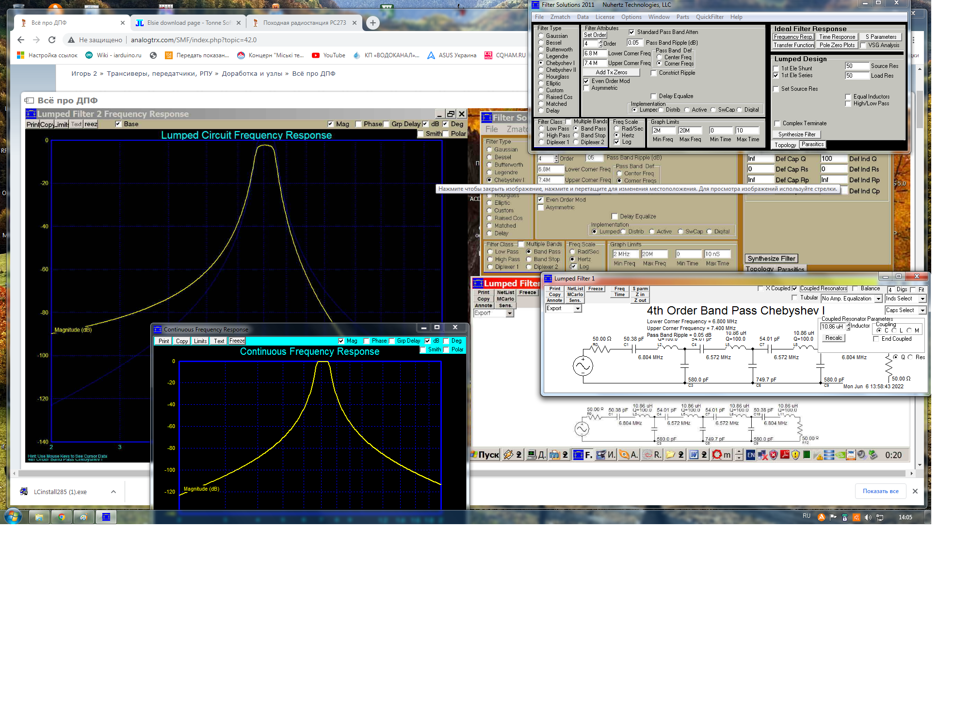
Обнаружил я вот такую непонятку. Игорь, обратите внимание. На скрине Ваш расчет из первого поста темы:
http://analogtrx.com/SMF/index.php?topic=42.0
И тут же наложен мой расчет. Как видите все совпадает, заданная топология, схема, номиналы и пр. Но! Существенные различия в АЧХ фильтра. В Вашем случае программа нарисовала АЧХ с крутым верхним склоном, у меня рисует симметричную АЧХ. В чем тут дело. Кстати и RFSimm рисует симметричную...

Mantrid

  • Гость
Re: Походная радиостанция РС273
« Ответ #1811 : Июнь 06, 2022, 02:25:08 pm »
Фотка фильтров ( только не показывайте Валерию, опять переживать будет!  lllol ) :

Оффлайн Владимир_К

  • Hero Member
  • *****
  • Сообщений: 1245
Re: Походная радиостанция РС273
« Ответ #1812 : Июнь 06, 2022, 02:30:24 pm »
Выбросил:
Ну надо же не просто выбросить, но и  пересчитать фильтр. Там же и другие детали будут с другими номиналами. "Правильный" фильтр, вот например Игоря в первом сообщении темы:
http://analogtrx.com/SMF/index.php?topic=42.0
Или, если Вам нужна схема третьего порядка, то тогда внизу скрин. Если выполнить катушки с индуктивностью 11 мкгн трудно, тогда могу пересчитать на имеющуюся индуктивность, но полоса пропускания будет шире.

Mantrid

  • Гость
Re: Походная радиостанция РС273
« Ответ #1813 : Июнь 06, 2022, 02:45:39 pm »
Ну надо же не просто выбросить, но и  пересчитать фильтр.
Не, не надо. Точнее, не настолько оно надо: лучшее враг хорошего, как известно. Пусть фильтр остается с "неправильным" конденсатором, после него все равно длинных проводов не будет. 33wr

Оффлайн Владимир_К

  • Hero Member
  • *****
  • Сообщений: 1245
Re: Походная радиостанция РС273
« Ответ #1814 : Июнь 06, 2022, 03:20:52 pm »
Не, не надо. Точнее, не настолько оно надо: лучшее враг хорошего, как известно.
Хрен его знает.. Но у меня RFSimm рисует такую картину, и чему верить, не знаю. Ваш прибор показывает вполне сносную диаграмму Смита. А тут вообще мрак.
Но не обращайте внимания, может что у меня тут глючит..